Elektronski teretni relej Crydom EL240A20-24
- Kataloški br:
- 507480 - 62
- Oznaka:
- EL240A20-24
- EAN:
- 2050001473592
- Kataloški br:
- 507480 - 62
- Oznaka:
- EL240A20-24
- EAN:
- 2050001473592
Elektronski teretni relej Crydom EL240A20-24
Cijena na upit
0.00 KM
Komada
Prodaja i slanje od:
Architektengruppe S71 d.o.o.
Komada
Tehničke specifikacije
Tehničke specifikacije
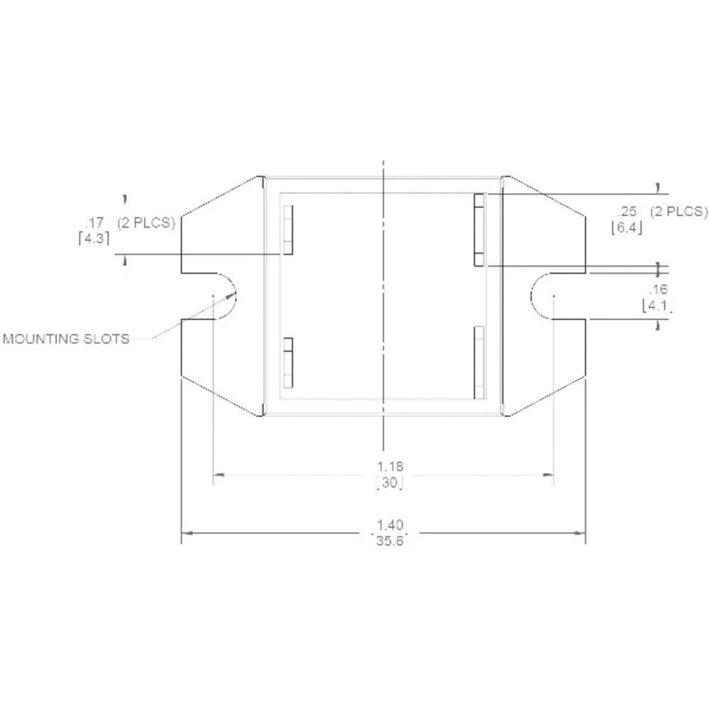
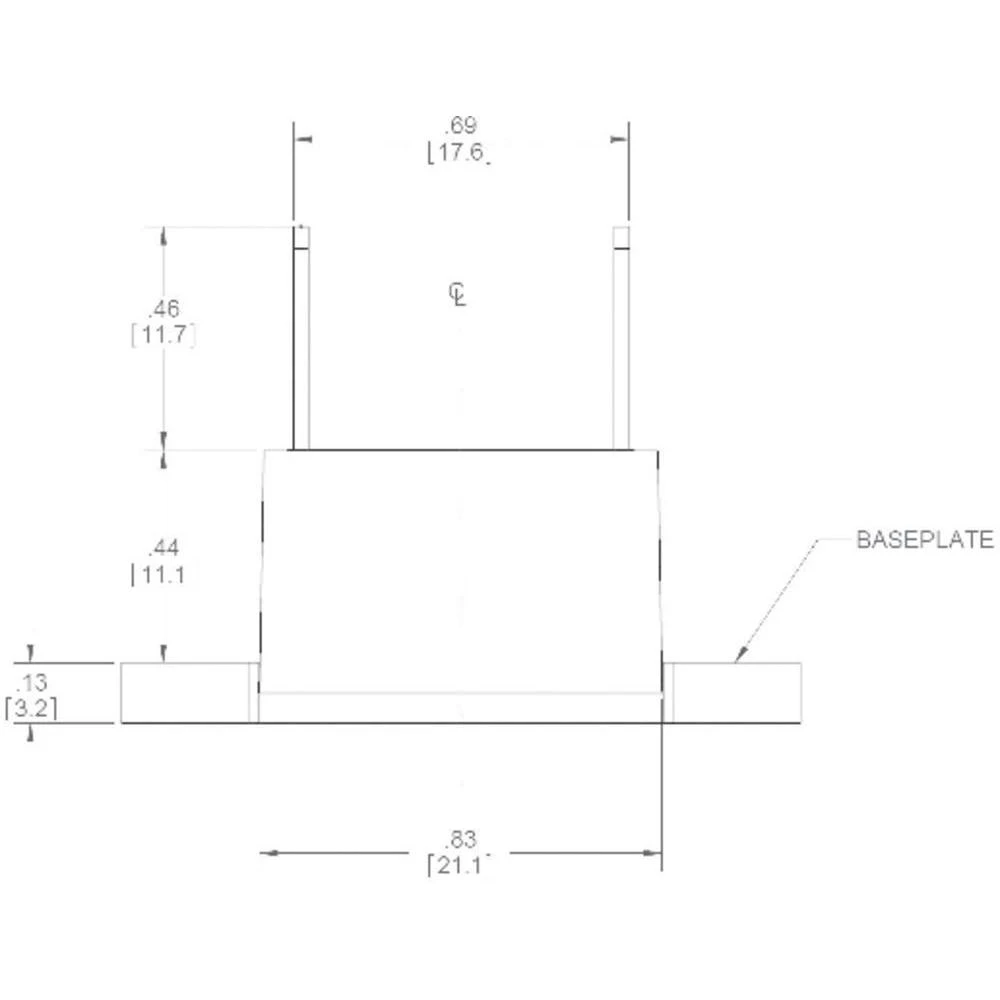
| Dimenzije | (D x Š x V) 36 x 21 x 26 mm |
Ocjene kupaca
Ocjene kupaca
Prosječna ocjena
0.00 od 5 zvjezdica
Još nema recenzija ovog proizvoda, ali to možete promijeniti.





