Letva sa ženskim kontaktima (precizna), broj redova: 1 broj polova na red: 2 TRU Components TC-0514-002-1-50-00-6 1 kom.
- Kataloški br:
- 1560698 - 62
- Oznaka:
- TC-0514-002-1-50-00-6
- EAN:
- 2050004844504
- Kataloški br:
- 1560698 - 62
- Oznaka:
- TC-0514-002-1-50-00-6
- EAN:
- 2050004844504
Letva sa ženskim kontaktima (precizna), broj redova: 1 broj polova na red: 2 TRU Components TC-0514-002-1-50-00-6 1 kom.
0.90 KM
Komada
0.90 KM
Komada
Izdvojeno & Detalji
- Sadržaj 1 St.
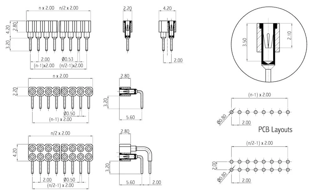
- Broj redova 1
- Broj polova po redu 2
Tehničke specifikacije
Tehničke specifikacije
Boja proizvođača
crna
Broj polova po redu
2
Broj redaka
1
Dim.
(D x Š x V) 7.40 x 4.00 x 2.20 mm
Dubina čahure
3,50 mm
Duljina
7.40 mm
Dužina olovke (strana za ispis)
3,20 mm
Industrijsko pakiranje
Ne
Kontaktna površina
konzerviran
Kontaktni materijal
slitina bakra
Maksimalna temperatura
+125 °C
Materijal kućišta
Termoplastična plastika
Minimalna temperatura
-55 °C
Nazivna struja
3A
Nazivna struja - zaokruženo
3A
Nazivni napon
150 V/DC
Oblik olovke
Okruglo
Oblikovati
traka za utičnice, ravna
Odvojivi
Ne
Proizvođački dio br.
TC-0514-002-1-50-00-6
Rm
2 mm
Sadržaj
1 kom
Širina
4.00 mm
Smjer parenja
Okomito na tiskanu ploču
Tip
TC-05142-1-50-00-6
Ukupan broj polova
2
Veza
Print
Visina
2.20 mm
Vrsta proizvoda
Žensko zaglavlje (preciznost)
Zatik Ø
0,40 mm
Opis
Opis
Opseg isporuke
- Letva sa ženskim kontaktima (precizna), broj redova: 1 broj polova na red: 2 TRU Components TC-0514-002-1-50-00-6 1 kom.





