Letva sa ženskim kontaktima (standardna) MTA-156 ukupan broj polova: 2 TE Connectivity 3-643817-2 2000 kom.
- Kataloški br:
- 1495718 - 62
- Kataloški br:
- 1495718 - 62
Letva sa ženskim kontaktima (standardna) MTA-156 ukupan broj polova: 2 TE Connectivity 3-643817-2 2000 kom.
Cijena na upit
0.00 KM
Komada
Prodaja i slanje od:
Architektengruppe S71 d.o.o.
Komada
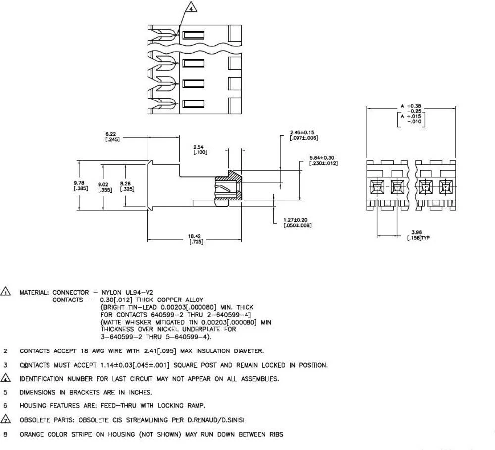
Tehničke specifikacije
Tehničke specifikacije
• AWG maks.: 18
• AWG min.: 18
• Boja: Narančasta
• Broj polova po redu: 2
• Broj redova: 1
• Dimenzija proizvoda, visina: 9.02 mm
• Dimenzija proizvoda, širina: 18.42 mm
• Dimenzije proizvoda, dužina: 29 mm
• Industrijsko blago: Da
• Izolacijski materijal: Poliamid
• Konstrukcija konektor utičnice: Kutni ženski konektor
• Kontaktni materijal: Bakerna legura
• Materijal kućišta: Poliamid
• Nazivna struja: 7 A
• Nazivni napon: 600 V/AC
• Oblik igle: Pravokutni
• Površina kontakta: Pocinkovano
• Presjek (maks.): 0.90 mm?
• Presjek (min.): 0.80 mm?
• Priključak (komponente): Stezaljka za rezanje
• Proizvođač-br. dijela: 3-643817-2
• Sadržaj: 2000 ST
• Serija (konektor): MTA-156
• Sustavski priključak: Wire-to-board
• Temperatura (maks.): +105 °C
• Temperatura (min): -55 °C
• Tip (tip proizvođača): 3-643817-2
• Tip utične letve (kategorizacija): Standardna letva sa ženskim kontaktima
• Ukupan broj polova: 2
Ocjene kupaca
Ocjene kupaca
Prosječna ocjena
0.00 od 5 zvjezdica
Još nema recenzija ovog proizvoda, ali to možete promijeniti.





