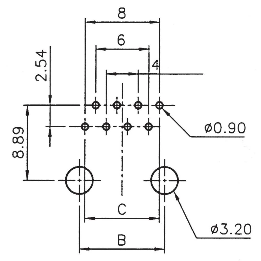
Modularna utičnica 8-polna plosnata verzija Assmann
- Kataloški br:
- 716184 - 62
- Oznaka:
- A-20042/LP
- EAN:
- 2050000228377
- Kataloški br:
- 716184 - 62
- Oznaka:
- A-20042/LP
- EAN:
- 2050000228377
Modularna utičnica 8-polna plosnata verzija Assmann
1.80 KM
Komada
1.80 KM
Komada
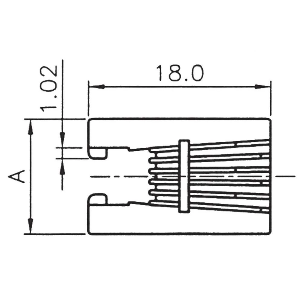
Tehničke specifikacije
Tehničke specifikacije
Boja proizvođača
crna
Broj priključaka
1 x
Broj redaka
1
Kućište
Poliester punjen staklom
Oblikovati
Konektor, ugradnja horizontalna
Poljaci
8P8C
Sadržaj
1 kom
Standardni konektor
RJ45
Sukladno RoHS
Da
Tip
A-20042/LP
Veza
lemljenje
lemljenje
Opis
Opis
Ovaj tekst je strojno preveden.
Ocjene kupaca
Ocjene kupaca
Pribor za ovaj prooizvod
- Dodatni (1)





