Mrežni relej Hongfa HF41F/005-ZST, 5 V/DC, 1 x preklopni k.,maks. 6 A, 30 V/DC/2
- Kataloški br:
- 507532 - 62
- Oznaka:
- HF41F/005-ZST
- EAN:
- 2050001535658
- Kataloški br:
- 507532 - 62
- Oznaka:
- HF41F/005-ZST
- EAN:
- 2050001535658
Mrežni relej Hongfa HF41F/005-ZST, 5 V/DC, 1 x preklopni k.,maks. 6 A, 30 V/DC/2
9.60 KM
Komada
9.60 KM
Komada
Tehničke specifikacije
Tehničke specifikacije
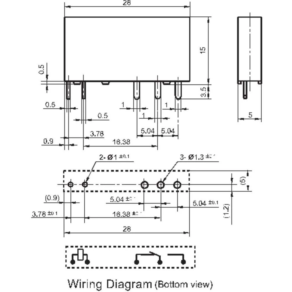
Dim.
(D x Š x V) 28 x 5 x 15 mm
Duljina
28 mm
Kontaktni materijal
AgSnO2
Maksimalna temperatura
+85 °C
Maksimalni uklopni kapacitet
180 W
1500 VA
Minimalna temperatura
-40 °C
Napon odziva (maks.)
7.5 V/DC
Napon odziva (min.)
3.5 V/DC
Nazivni napon svitka
5 V/DC
Otpor (zavojnica)
147 Ω
Sadržaj
1 kom
Širina
5 mm
Sklopna struja (maks.)
6A
Sklopni napon (maks.)
400 V/AC
125 V/DC
Sukladno RoHS
Da
Tip
HF41F/005-ZST
Tip kontrole
monostabil, 1 zavojnica
Veza
igle za lemljenje
Visina
15 mm
Vrsta kontakta
1 mjenjač
Vrsta proizvoda
ispisni relej
Zazor/puzna staza (zavojnica/kontakti)
8 mm





