Pretvarač DC/DC serije TME, 1W, SIL-4
- Kataloški br:
- 154491 - 62
- Oznaka:
- TME 2409S
- EAN:
- 2050000028182
- Kataloški br:
- 154491 - 62
- Oznaka:
- TME 2409S
- EAN:
- 2050000028182
Pretvarač DC/DC serije TME, 1W, SIL-4
17.80 KM
Komada
17.80 KM
Komada
Izdvojeno & Detalji
- 3˗godišnje jamstvo proizvođača
Tehničke specifikacije
Tehničke specifikacije
Broj izlaza
1 x
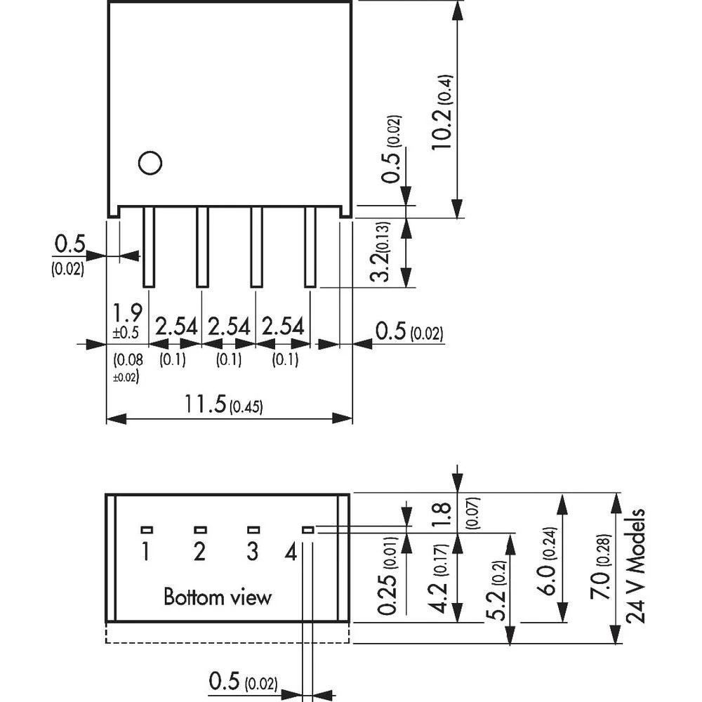
Dim.
(D x Š x V) 11.5 x 7 x 10.2 mm
Duljina
11.5 mm
Izlazna struja (maks.)
110 mA
Izlazna struja (max) - zaokružena
110 mA
Izlazni napon
9 V/DC
Izvođenje
1w
Kućište
SIL-4
Nazivni napon
24 V/DC
Radna temperatura (maks.)
85 °C
Radna temperatura (min.)
-40 °C
Sadržaj
1 kom
Širina
7 mm
Tip
TME 2409S
TME 2409S
Veza
igle za lemljenje
Visina
10.2 mm
Vrsta proizvoda
DC/DC pretvarač, print
Opis
Opis
Opseg isporuke
- DC/DC pretvarač za tiskane pločice TracoPower TME 2409S 24 V/DC 9 V/DC 110 mA 1 W broj izlaza: 1 x





