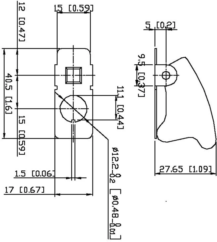
Sigurnosni poklopac, karbon TRU Components TC-R17-10 CARBON 1 kom.
- Kataloški br:
- 1587850 - 62
- Oznaka:
- 1587850
- EAN:
- 2050004957389
- Kataloški br:
- 1587850 - 62
- Oznaka:
- 1587850
- EAN:
- 2050004957389
Sigurnosni poklopac, karbon TRU Components TC-R17-10 CARBON 1 kom.
21.10 KM
Komada
21.10 KM
Komada
Tehničke specifikacije
Tehničke specifikacije
Boja proizvođača
Karbon
Ispis motiva
bez
Izvršenje
Sigurnosna zaštita
Prikladno za (detalji)
TC-R13-2
TC-R13-28
TC-R13-4
Sadržaj
1 kom
Tip
TC-R17-10 CARBON
Vrsta proizvoda
Sigurnosna zaštita
Vrsta rasvjete
bez svjetla
Opis
Opis
Ovaj tekst je strojno preveden.
Opseg isporuke
- Sigurnosni poklopac, karbon TRU Components TC-R17-10 CARBON 1 kom.





