Spojka na vijak serije AK(Z)350-V, raster: 5.08 mm 24 A, zelena, PTR
- Kataloški br:
- 732196 - 62
- Oznaka:
- 50350100001D
- EAN:
- 2050000682025
- Kataloški br:
- 732196 - 62
- Oznaka:
- 50350100001D
- EAN:
- 2050000682025
Spojka na vijak serije AK(Z)350-V, raster: 5.08 mm 24 A, zelena, PTR
5.90 KM
Komada
5.90 KM
Komada
Izdvojeno & Detalji
- Content 1 St.
Tehničke specifikacije
Tehničke specifikacije
AWG maks.
12
AWG min.
22
Boja proizvođača
zelena
Broj polova
10
Broj polova po redu
10
Broj redaka
1
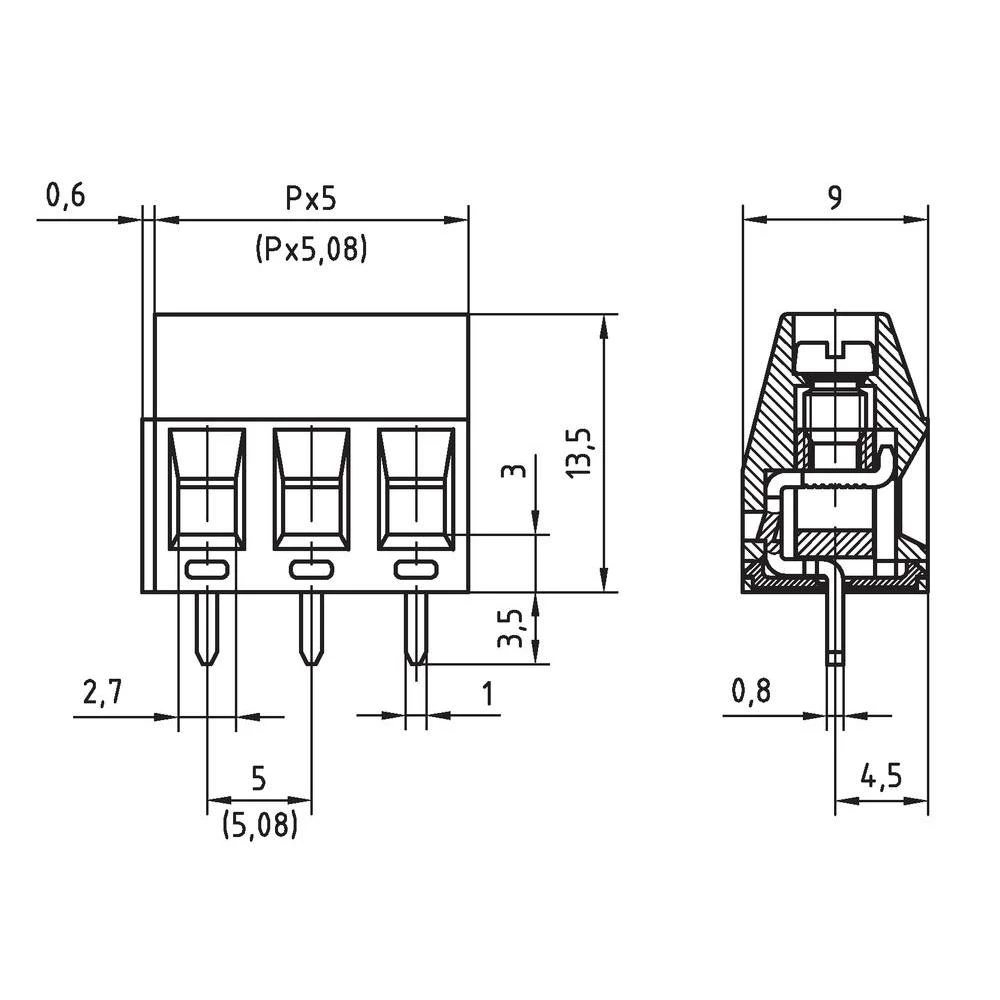
Duljina
9.00 mm
Duljina skidanja izolacije (maks.)
6 mm
Duljina skidanja izolacije (min.)
6 mm
Kontaktni materijal
Mjed
Materijal kućišta
Poliamid 6.6
Nazivna struja
15A
Nazivna struja - zaokruženo
15A
Nazivni napon
300 V
Niz
AK(Z)350
Operativni smjer
Okomito na tiskanu ploču
Poprečni presjek fleksibilan (maks.)
1.50 mm²
Poprečni presjek fleksibilan (min.)
0.14 mm²
Poprečni presjek krut (maks.)
2.50 mm²
Poprečni presjek krut (min.)
0.14 mm²
Posebnosti
s pjenilicom za mlijeko
Mogućnost slaganja
Proizvođački dio br.
50350100001D10
Rm
5.08 mm
Sadržaj
1 kom
Širina
51.40 mm
Smjer parenja
Vodoravno u odnosu na tiskanu ploču
Tip
AKZ350/10-5.08-V
Veza
Print
vijčani terminal
Visina
17.00 mm
Vrsta proizvoda
Spojka za provodne ploče na vijak
Zaštita žicom
Da





