Ugradbeni konektor za senzor/aktivator M12 Utikač, ugradni Broj polova: 5 Lutronic 1235 1231 05 T9CP 1 ST
- Kataloški br:
- 1910607 - 62
- Oznaka:
- 1235
- EAN:
- 2050005847108
- Kataloški br:
- 1910607 - 62
- Oznaka:
- 1235
- EAN:
- 2050005847108
Ugradbeni konektor za senzor/aktivator M12 Utikač, ugradni Broj polova: 5 Lutronic 1235 1231 05 T9CP 1 ST
0.10 KM
Komada
Prikaži alternativne proizvode
0.10 KM
Komada
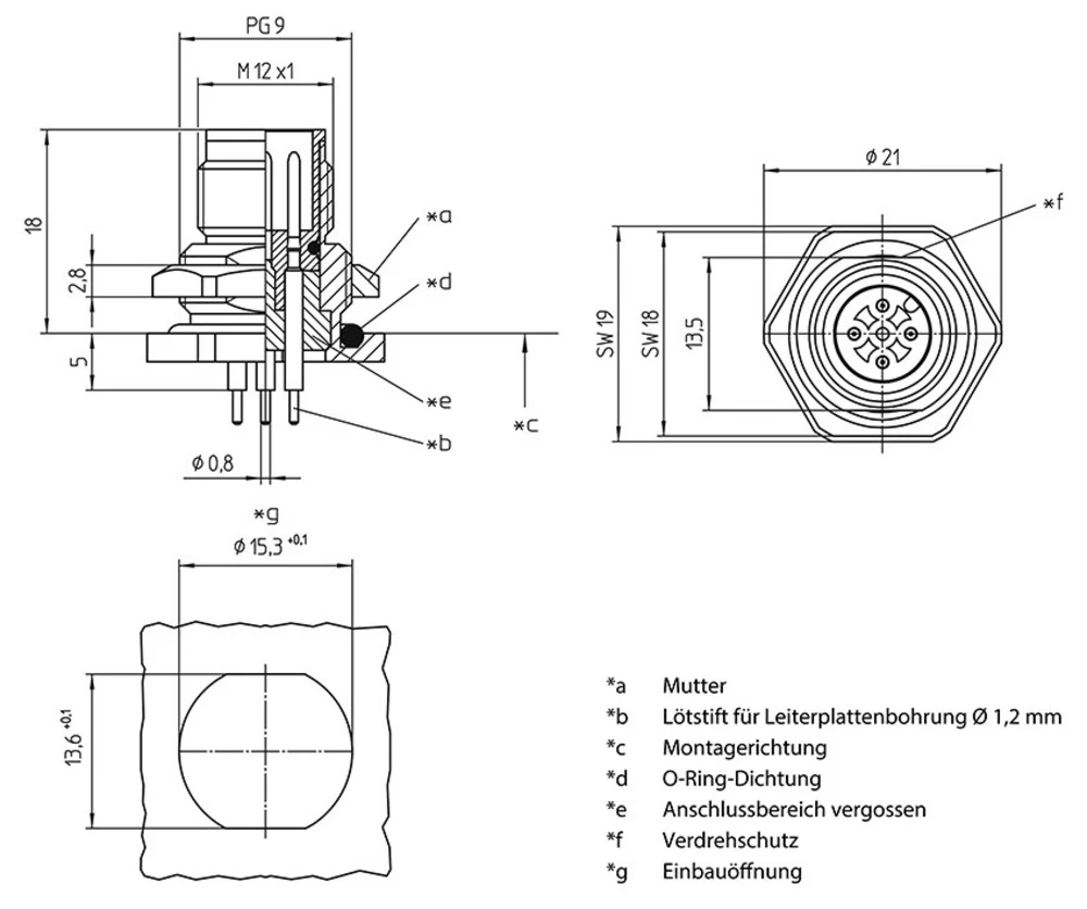
Tehničke specifikacije
Tehničke specifikacije
Boja proizvođača
metal
Broj polova
5
Kodiranje
A
Kontaktna površina
Mjed presvučen niklom
Kontaktni materijal
mesing (antika)
Maksimalna temperatura
80 °C
Minimalna temperatura
-25 °C
Navojni kabelski spoj i sklop
PG9
Nazivna struja
4.0 A
Nazivna struja - zaokruženo
4 A
Nazivni napon
60 V
Oblikovati
konektor, ugradnja
Proizvođački dio br.
1235
Sadržaj
1 kom
Standardni konektor
Priključci senzora
Strana priključka A
M12 utikač ugradbeni
Strana priključka tipa navoja
M12
Stupanj zaštite
IP67
Tehnologija spajanja tipa senzora/aktuatora
Phillips
Tip
1231 05 T9CP
Vanjski Ø
21 mm
Veza
lemljenje
Print
Vrsta proizvoda
senzor-/aktor-ugradbeni utikač
Vrsta zatvaranja
Schraub





