Induktivni blizinski prekidač 12 x 40 mm nije u istoj razini PNP Pepperl & Fuchs NBN8-F1-E2-V3
- Kataloški br:
- 155267 - 62
- Oznaka:
- NBN8-F1-E2-V3
- EAN:
- 2050001079664
- Kataloški br:
- 155267 - 62
- Oznaka:
- NBN8-F1-E2-V3
- EAN:
- 2050001079664
Induktivni blizinski prekidač 12 x 40 mm nije u istoj razini PNP Pepperl & Fuchs NBN8-F1-E2-V3
0.00 KM
Komada
Alternativno dostupni proizvodi:
Prikaži alternativne proizvode
Komada
Tehničke specifikacije
Tehničke specifikacije
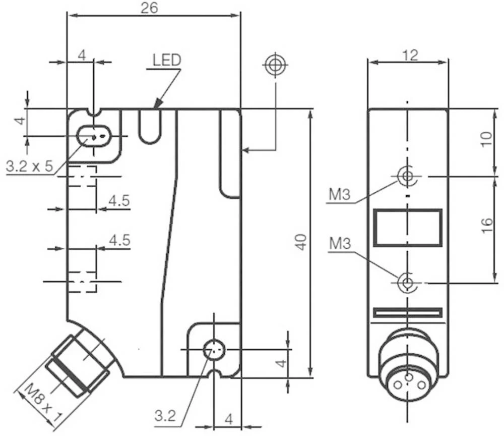
Dim.
(Š x V x Du) 12 x 40 x 26 mm
Dubina
26 mm
Frekvencija prebacivanja
1400 Hz
Izlazi
PNP
Maksimalna temperatura
70 °C
Materijal kućišta
poliamid
Minimalna temperatura
-25 °C
Radni napon maks.
30 V/DC
Radni napon min.
10 V/DC
Raspon radnog napona
10 - 30 V/DC
Sadržaj
1 kom
Širina
12 mm
Stupanj zaštite
IP67
Tip
NBN8-F1-E2-V3
NBN8-F1-E2-V3
Tip montaže
u različitom nivou
Udaljenost prebacivanja (maks.)
8 mm
Veličina
12 x 40 mm
Veza
M8, 3 polni
Visina
40 mm
Vrsta kontakta
1 bliže
Vrsta proizvoda
induktivni prekidač blizine
Opis
Opis
Ovaj tekst je strojno preveden.
Opseg isporuke
- Induktivni blizinski prekidač 12 x 40 mm nije u istoj razini PNP Pepperl & Fuchs NBN8-F1-E2-V3
Ocjene kupaca
Ocjene kupaca
Pribor za ovaj prooizvod
- Dodatni (7)





