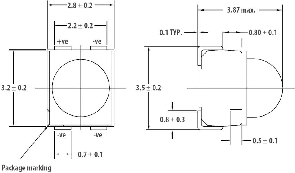
SMD-LED PLCC4 crvena 2300 mcd 30 ° 50 mA 2.2 V Broadcom HSMC-A430-W50M1
- Kataloški br:
- 180538 - 62
- Oznaka:
- HSMC-A430-W50M1
- EAN:
- 2050000590696
- Kataloški br:
- 180538 - 62
- Oznaka:
- HSMC-A430-W50M1
- EAN:
- 2050000590696
SMD-LED PLCC4 crvena 2300 mcd 30 ° 50 mA 2.2 V Broadcom HSMC-A430-W50M1
1.20 KM
Komada
1.20 KM
Komada
Tehničke specifikacije
Tehničke specifikacije
Boja proizvođača
crvena
Kut svjetlosnog snopa
30 °
Maksimalna temperatura
100 °C
Minimalna temperatura
-40 °C
Oblikovati
PLCC4
Prednja struja I(F)
50 mA
Prednji napon U(F)
2.2 V
Sadržaj
1 kom
Svjetlosni intenzitet I(V)
2300 mcd
Tip
HSMC-A430-W50M1
Tip dizajna
SMD
Valna duljina
626 nm
Vrsta proizvoda
SMD-LED
Opis
Opis
Opseg isporuke
- SMD-LED PLCC4 crvena 2300 mcd 30 ° 50 mA 2.2 V Broadcom HSMC-A430-W50M1
Ocjene kupaca
Ocjene kupaca
Pribor za ovaj prooizvod
- Dodatni (2)





