Letva sa ženskim kontaktima (standardna) MTA-100 ukupan broj polova: 10 TE Connectivity 4-640440-0 1 kom.
- Kataloški br:
- 1278091 - 62
- Oznaka:
- 4-640440-0
- EAN:
- 2050002840720
- Kataloški br:
- 1278091 - 62
- Oznaka:
- 4-640440-0
- EAN:
- 2050002840720
Letva sa ženskim kontaktima (standardna) MTA-100 ukupan broj polova: 10 TE Connectivity 4-640440-0 1 kom.
3.90 KM
Komada
3.90 KM
Komada
Izdvojeno & Detalji
- Content: 1 St.
- Broj redova: 1
- Ukupan broj polova: 10
Tehničke specifikacije
Tehničke specifikacije
AWG maks.
22
AWG min.
22
Boja proizvođača
crvena
Broj polova po redu
10
Broj redaka
1
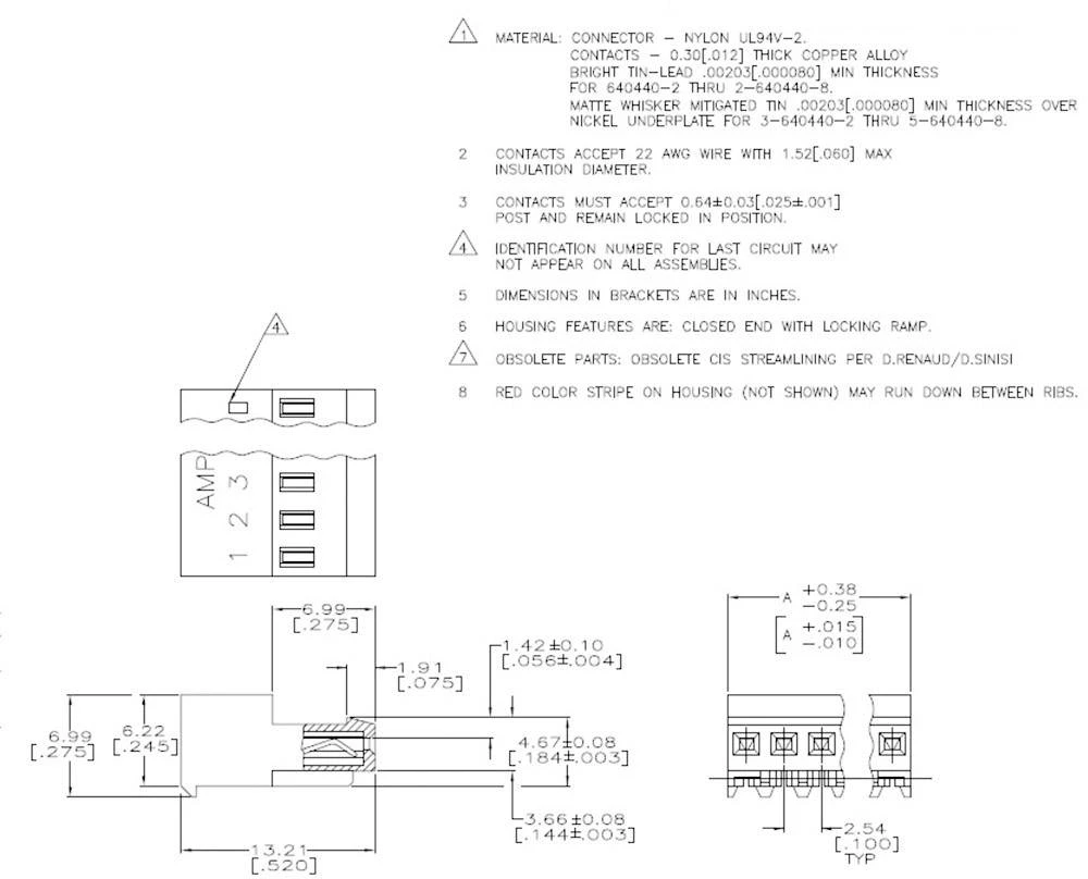
Dim.
(D x Š x V) 6.99 x 25.40 x 13.21 mm
Duljina
6.99 mm
Industrijsko pakiranje
Ne
Izolacijski materijal
poliamid
Konektorski sustav
wire to wire
Kontaktni materijal
slitina bakra
Maksimalna temperatura
+105 °C
Maksimalni presjek
0.40 mm²
Materijal kućišta
poliamid
Minimalna temperatura
-55 °C
Minimalni presjek
0.30 mm²
Nazivna struja
5 A
Nazivna struja - zaokruženo
5 A
Nazivni napon
250 V/AC
Niz
MTA-100
Oblik olovke
Pravougli
Oblikovati
utičnica, kutna
Proizvođački dio br.
4-640440-0
Sadržaj
1 kom
Širina
25.40 mm
Strana za ispis kontaktne površine
konzerviran
Strana za spajanje kontaktne površine
konzerviran
Sukladno RoHS
Da
Tip
MTA-100
Ukupan broj polova
10
Veza
Schneid-Klemm
Visina
13.21 mm
Vrsta proizvoda
Traka za utičnice (standardna)
Opis
Opis
Opseg isporuke
- Letva sa ženskim kontaktima (standardna) MTA-100 ukupan broj polova: 10 TE Connectivity 4-640440-0 1 kom.
Ocjene kupaca
Ocjene kupaca
Pribor za ovaj prooizvod
- Dodatni (2)





